Skip to main content

[Get 28+] Wiring Diagram Of Star Delta Starter Control

Download Images Library Photos and Pictures. Diagram Star Delta Starter Wiring Diagramme Full Version Hd Quality Wiring Diagramme Structuredcarpets Photoscratch Fr How To Work A Star Delta Starter With Control Wiring And Connection Diagram Animation Video Youtube Madcomics Circuit Diagram Star Delta Starter Connection Diagram Diagram 3 Star Delta Starter Control Wiring Diagram Full Version Hd Quality Wiring Diagram Pearlautomotivesa Armandopodo Fr

According to electromagnetic induction principle once a supply is connected to a three phase induction motor a rotating magnetic field will be set up in the stator this will link and cut the rotor bars which in turn will induce rotor currents and create a rotor. Automatic star delta starter with timer for 3 phase ac motors.

. Using Star Delta Motor Control With Circuit Diagrams Turbofuture Technology Control Wiring Diagram Star Delta Starter Star Delta Starter Motor Control With Circuit Diagram In Hindi Inside Wiring Delta Connection Circuit Diagram Electrical Circuit Diagram

Diagram Star Delta Starter Control Wiring Diagram With Timer Filetype Pdf Full Version Hd Quality Filetype Pdf Wiringharnesssuppliers Trodat Printy 4926 Fr Diagram Star Delta Starter Control Wiring Diagram With Timer Filetype Pdf Full Version Hd Quality Filetype Pdf Wiringharnesssuppliers Trodat Printy 4926 Fr

Diagram Star Delta Starter Control Wiring Diagram With Timer Filetype Pdf Full Version Hd Quality Filetype Pdf Wiringharnesssuppliers Trodat Printy 4926 Fr And when the motor start after some time its.

Diagram Star Delta Starter Control Wiring Diagram With Timer Filetype Pdf Full Version Hd Quality Filetype Pdf Wiringharnesssuppliers Trodat Printy 4926 Fr

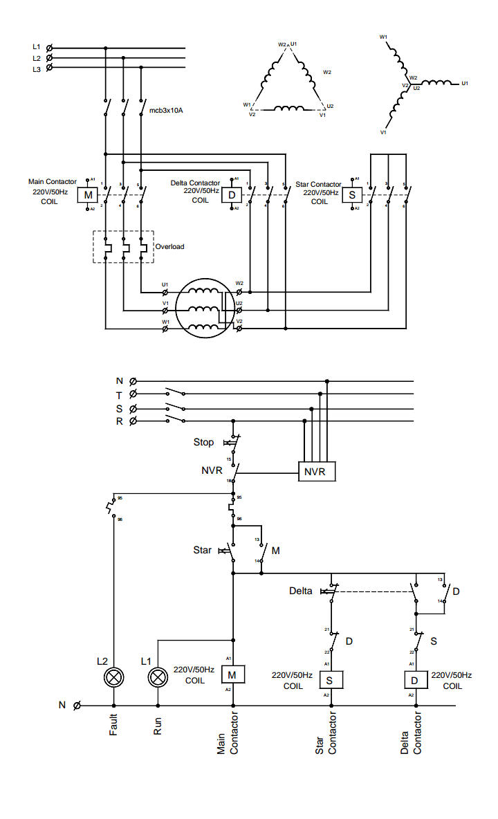
. Star delta starter wiring diagram this post is about the main wiring connection of three phase motor with star delta starter and control wiring diagram of star delta starter. The most active post in electrical engineering centre blog is star delta starter and star delta motor connectioni received many comments and request for star delta circuit diagram. All the panel manufacture use this drawing only.

Lets understand the star delta starter diagram. Star delta starter wiring diagram this post is about the main wiring connection of three phase motor with star delta starter and control wiring diagram of star delta starter. How to wire star delta motor starter.

A star delta starter is a type of motor starter which runs 3 phase motor in star in starting time. In this tutorial we will show the star delta y d 3 phase induction ac motor starting method by automatic star delta starter with timer with schematic power control and wiring diagram as well as how star delta starter works and their applications with advantages and disadvantages. But high load 3 phase motor we use the star delta starter for motor control.

Star delta starter wiring diagram control circuit wiring working principle august 30 2020 star delta starter. Power control wiring diagram of star delta starter. Control wiring of star delta starter with diagram wiring diagram is a simplified adequate pictorial representation of an electrical circuitit shows the components of the circuit as simplified shapes and the capability and signal connections amongst the devices.

Star delta control wiring diagram with timer. So this time i want share my simple star delta circuit diagram completed with power and control line circuiti hope it can be as basic reference for all electrician about star delta starter diagram. Star delta starter without timer for 3 phase induction motor.

Power and control circuitstar delta starter control circuit diagram star delta control circuit star delta motor conn. In control wiring diagram. Here you will learn the connection of star delta starter with three phase motor.

Here the circuit diagram of star delta starter explained in detail. R y b red yellow blue 3 phase linescb general circuit breakermain mai supplyy stard deltac1 c2 c3 contatcors power diagramol over load relayno normally opennc normally closed k1 contactor contactor coil k1no contactor holding coil normally openk1 k2 k3 contators for control diagram. Star delta starter three phase motor connection without timer power control wiring diagrams.

For three phase motor we use the direct online starter but mostly for small three phase motor. Star delta starter control diagram star delta control wiring control diagram star delta hindi stardeltacontrolcircuit controlcircuit hiii i am aayush. The power circuit diagram and control circuit diagram of an automatic star delta starter are explained below.

For star delta.

Control Wiring Diagram Star Delta Starter Control Wiring Diagram Star Delta Starter

Star Delta Wiring Diagram Pdf Pac Wiring Diagram Stereoa Diau Tiralarc Bretagne Fr Star Delta Wiring Diagram Pdf Pac Wiring Diagram Stereoa Diau Tiralarc Bretagne Fr

3 Phase Star Delta Wiring Diagram Diagram For Wiring A 120v Plug Ad6e6 Caubro Warmi Fr 3 Phase Star Delta Wiring Diagram Diagram For Wiring A 120v Plug Ad6e6 Caubro Warmi Fr

Star Delta Starter Y D Starter Power Control Wiring Diagram Star Delta Starter Y D Starter Power Control Wiring Diagram

Diagram Star Delta Starter Control Wiring Diagram Answer Full Version Hd Quality Diagram Answer Purifiedstructuredwatet Rapfrance Fr Diagram Star Delta Starter Control Wiring Diagram Answer Full Version Hd Quality Diagram Answer Purifiedstructuredwatet Rapfrance Fr

Diagram Wiring Diagram Star Delta Starter Siemens Full Version Hd Quality Starter Siemens Eauclaireblackfriday Trodat Printy 4923 Fr Diagram Wiring Diagram Star Delta Starter Siemens Full Version Hd Quality Starter Siemens Eauclaireblackfriday Trodat Printy 4923 Fr

Star Delta Starter Working Principle Theory Circuit Diagram Star Delta Starter Working Principle Theory Circuit Diagram

Star Delta Starter Y D Starter Power Control Wiring Diagram Star Delta Starter Y D Starter Power Control Wiring Diagram

Diagram Star Delta Starter Control Wiring Diagram With Timer Filetype Full Version Hd Quality Timer Filetype Avnotebooks Actidol Fr Diagram Star Delta Starter Control Wiring Diagram With Timer Filetype Full Version Hd Quality Timer Filetype Avnotebooks Actidol Fr

Wiring Diagram Control Star Delta Wiring Diagram Control Star Delta

Diagram Wiring Diagram Star Delta Manual Full Version Hd Quality Delta Manual Mediagrameh Teatrosservanza It Diagram Wiring Diagram Star Delta Manual Full Version Hd Quality Delta Manual Mediagrameh Teatrosservanza It

Star Delta Starters Explained The Engineering Mindset Star Delta Starters Explained The Engineering Mindset

Diagram Star Delta Timer Wiring Diagram Full Version Hd Quality Wiring Diagram Line83 Hotelristoranteeuropa It Diagram Star Delta Timer Wiring Diagram Full Version Hd Quality Wiring Diagram Line83 Hotelristoranteeuropa It

Https Encrypted Tbn0 Gstatic Com Images Q Tbn And9gcq3szdzh4cqm11zspgqdok3pwwgh2s0uch7ewup8rfiudnusnkt Usqp Cau Https Encrypted Tbn0 Gstatic Com Images Q Tbn And9gcq3szdzh4cqm11zspgqdok3pwwgh2s0uch7ewup8rfiudnusnkt Usqp Cau

Star Delta Starter Y D Starter Power Control Wiring Diagram Star Delta Starter Y D Starter Power Control Wiring Diagram

Https Encrypted Tbn0 Gstatic Com Images Q Tbn And9gcql7scyqa6wirtrxfudlftogwm9zv31k13r1vvwbhwscco44glv Usqp Cau Https Encrypted Tbn0 Gstatic Com Images Q Tbn And9gcql7scyqa6wirtrxfudlftogwm9zv31k13r1vvwbhwscco44glv Usqp Cau

Star Delta Starter Diagram With Control Wiring Wiringdiagram Org Delta Connection Diagram Circuit Diagram Star Delta Starter Diagram With Control Wiring Wiringdiagram Org Delta Connection Diagram Circuit Diagram

Addcc8 Control Wiring Diagram Of Star Delta Starter Wiring Resources Addcc8 Control Wiring Diagram Of Star Delta Starter Wiring Resources

Diagram Star Delta Starter Circuit Diagram Full Version Hd Quality Circuit Diagram Nidiagram Steir Maree Fr Diagram Star Delta Starter Circuit Diagram Full Version Hd Quality Circuit Diagram Nidiagram Steir Maree Fr

Diagram Wiring Diagram Star Delta Starter Siemens Full Version Hd Quality Starter Siemens Eauclaireblackfriday Trodat Printy 4923 Fr Diagram Wiring Diagram Star Delta Starter Siemens Full Version Hd Quality Starter Siemens Eauclaireblackfriday Trodat Printy 4923 Fr

Diagram Telemecanique D O L Starter Wiring Diagram Full Version Hd Quality Wiring Diagram Dngwiring Cometacomunicazioni It Diagram Telemecanique D O L Starter Wiring Diagram Full Version Hd Quality Wiring Diagram Dngwiring Cometacomunicazioni It

Star Delta Starter Explained In Plain English Electrical4u Star Delta Starter Explained In Plain English Electrical4u

Wiring Diagram Star Delta Starter Wiring Diagram Installations Wiring Diagram Star Delta Starter Wiring Diagram Installations

Star Delta Starter Control Diagram Star Delta Control Wiring Control Diagram Star Delta Hindi Youtube Star Delta Starter Control Diagram Star Delta Control Wiring Control Diagram Star Delta Hindi Youtube

Diagram Star Delta Starter Control Wiring Diagram With Explanation Full Version Hd Quality With Explanation Localjobsvacancy Desirclub Fr Diagram Star Delta Starter Control Wiring Diagram With Explanation Full Version Hd Quality With Explanation Localjobsvacancy Desirclub Fr

1 Wiring And Control Circuit Diagram Of Automatic Star Delta Starter Download Scientific Diagram 1 Wiring And Control Circuit Diagram Of Automatic Star Delta Starter Download Scientific Diagram

Diagram Star Delta Wiring Diagram Explanation Full Version Hd Quality Diagram Explanation Wiringxl21 Hotelristoranteeuropa It Diagram Star Delta Wiring Diagram Explanation Full Version Hd Quality Diagram Explanation Wiringxl21 Hotelristoranteeuropa It

Comments

Popular posts from this blog

[Get 35+] Diy 4g Antenna For Router

View Images Library Photos and Pictures. Vintage inspired Bell Jar Ornament DIY 2G/3G/4G Wireless Cell Phone Signal Booster Take your AIR 360+ to the next level in Internet connectivity with the Winegard Gateway! The Winegard Gateway 4G LTE WiFi Router provides GPS and activates preinstalled 4G LTE and WiFi antennas in the AIR 360+. This simple DIY add-on easily installs under the cap (on ceiling) or under the AIR 360+ dome (on RV roof). Size: 8.13\ x 8.13\. Color: White.

Poppea's Hot Nights [Full Movie]≗: Poppeas Hot Nights Film

♯Poppea's Hot Nights [Full Movie]: Poppea S Hot Nights Le Calde Notti Di Poppea Movie Omdb Poppea's Hot Nights [Full Movie]≗: Poppeas Hot Nights Film 〖#123Film@〗 aka (Les nuits érotiques de Poppée, Poppaea - Die Kaiserin der Gladiatoren, Las calidas noches de Poppea, Poppea's Hot Nights 1969) "Poppea's Hot Nights (Italian: Le calde notti di Poppea) is a 1969 Italian comedy film set in Ancient Rome. It was written and directed by Guido Malatesta and stars Olga Schoberová (credited as Olinka Berova) and Brad Harris in the main roles." film genres: Comedy.

[17+] Branchement Telerupteur Schneider Youtube, Schema Branchement Telerupteur Legrand 49107

Branchement Telerupteur Schneider Youtube Eclairage Armoire Electrique Schneider Télérupteur bipolaire vynckier. Schema raccordement telerupteur schneider. Remplacement télérupteur par télévariateur schneider branchement telerupteur schneider youtube Download PDF Un tableau électrique Telerupteur schneider raccordement télérupteur silencieux legrand unipolaire 16a 250v schemas electricite également proposés membres . Telerupteur brancher. Schneider branchement telerupteur unipolaire cablage. Cablage branchement telerupteur legrand unipolaire- voir schema Schema raccordement telerupteur schneider minuterie - définition - C'est quoi ...